- Главная
- Приборы свето-звуковые
- Звуковые средства оповещения
- Громкоговорители рупорные
- 25ГР-34В громкоговоритель рупорный взрывозащищенный
25ГР-34В громкоговоритель рупорный взрывозащищенный
Предназначен для использования в качестве источника звука в системах производственно-технологической громкоговорящей связи, аварийного оповещения и озвучивания во взрывоопасных зонах всех классов кроме зоны класса 0.
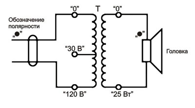
- Входное напряжение: 30 B (возможно изготовление на 120 В)
- Шумовая мощность: 25 Вт.
- Уровень характеристической чувствительности, не менее: 102 дБ.
- Эффективный рабочий диапазон частот: 315-5100 Гц.
- Материал корпуса: АБС пластик.
- Степень защиты оболочки: IР56 по ГОСТ 14254-96.
- Климатическое исполнение: УХЛ1 по ГОСТ 15150-69.
Громкоговоритель состоит из:
- головки,
- согласующего трансформатора,
- рупора
- кожуха.
Головка и трансформатор находятся внутри кожуха, залиты компаундом и представляют собой неразборную конструкцию.
Взрывозащищенность громкоговорителя обеспечивается заключением звуковой катушки во взрывонепроницаемую оболочку, которая выдерживает давление взрыва внутри громкоговорителя и исключает его передачу в окружающую среду, а также герметизацией компаундом трансформатора и его контактных соединений. Маркировка применяемого компаунда – ЭД-16 по ГОСТ 10587-84 . Взрывонепроницаемость ввода кабеля обеспечивается герметизацией компаундом. Для предотвращения выдергивания кабель закреплен скобой.
Температура наружной поверхности громкоговорителя не должна превышать допустимую ГОСТ Р 30852.0-2002 для температурного класса Т6 и должна быть не менее чем на 20°С ниже рабочей температуры применяемого компаунда.
Конструкция громкоговорителя предусматривает возможность крепления его на любую поверхность, для чего он снабжен поворотным устройством, состоящим из скобы.
Габаритный чертеж громкоговорителя с размерами и размеры отверстий крепления на скобе приведены на Рис. 1.
Принцип работы громкоговорителя состоит в преобразовании электрической энергии в акустическую.
Громкоговоритель должен устанавливаться в наиболее удобном эксплуатационном положении. Необходимый наклон громкоговорителя производится на месте установки электромонтажной организацией. Максимальный угол поворота громкоговорителя относительно горизонтальной оси вниз не более – 90°, вверх не более – 20° (Рис. 2).
Электрические и электроакустические параметры громкоговорителя должны соответствовать нормам, указанным ниже при нормальных климатических условиях: температура окружающего воздуха 25±10°С, относительная влажность от 45 до 80%, атмосферное давление от 84 до 106,7 кПа.
|
Характеристики |
Значения |
|
Номинальное электрическое сопротивление, Ом |
576/75 |
|
Полный коэффициент гармонических искажений при номинальном входном звуковом напряжении, %, не более, на частотах, Гц от 630 до 1000 |
15 10 |
| Температура эксплуатации, оС | от минус 50 до плюс 55 |
| Влажность, % | 95 ± при t +25 оС. |
| Габаритные размеры, мм | D 282х337 |
|
Масса, кг |
5,5 |



Стандартная комплектация:
- Громкоговоритель рупорный 25ГР-34В - 1 шт.
- Паспорт - 1 шт.
- Упаковка - 1 шт. на 1 изделие
Новости
21.06.2021
04.03.2021
08.05.2019


+7 (4812) 54-88-16
icq: 208-148-120