- Главная
- Уровнеметрия
- Уровнемеры, датчики и сигнализаторы уровня
- Поплавковые
- РОС 400-4, 400-6, РОС 400-7, РОС 400-8 датчики уровня поплавковые электрические
РОС 400-4, 400-6, РОС 400-7, РОС 400-8 датчики уровня поплавковые электрические
Предназначены для контроля уровня жидких сред в цистернах транспортных и промысловых судов, в других аппаратах и резервуарах выдачи сигнала в цепи сигнализации, управления и защиты на разных объектах, в том числе на объектах атомной энергетики (ОАЭ).
Датчики РОС 400-4 имеют климатическое исполнение ОМ категории размещения 5, но для работы при температуре от минус 40 до плюс 70 °С и относительной влажности до 100% при температуре плюс 35 °С (с конденсацией влаги). Датчики РОС 400-6, 7, 8 имеют климатическое исполнение УХЛ категории размещения 2 по ГОСТ 15150, но для работы при температуре от минус 60 до плюс 70 °С и относительной влажности до (95±3)% и при температуре плюс 40 °С (без конденсации влаги).
По устойчивости к воздействию вибрации датчики должны соответствовать группе исполнения L3 по ГОСТ Р52931.
По степени защиты от пыли и воды датчики должны соответствовать IP54 ГОСТ 14254 и IP56 для РОС 400-4.
Датчики, предназначенные для эксплуатации на ОАЭ, относятся к классу безопасности 4Н по ПНАЭГ-01-011-97 (кроме РОС 400-4).
Датчики выполнены в сейсмостойком исполнении. Категория сейсмостойкости датчиков для АЭС-II а по ПНАЭГ-5-006-87.
Датчики в комплекте с блоком барьеров искрозащиты «Сигнал» ТУ 4372-017-4233725899 с уровнем взрывозащиты «ExibIICT6» или аналогичными блоками могут использоваться в технических аппаратах, где возможно образование взрывоопасных смесей.
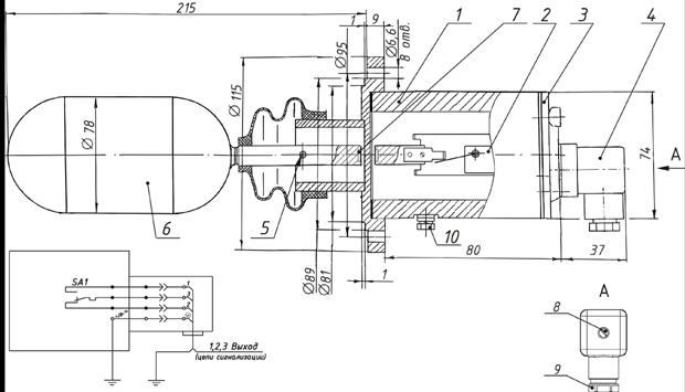
Датчик РОС 400-4 состоит из алюминиевого корпуса 1, внутри которого размещен переключатель 2. Переключатель расположен на стойке, которая винтами крепится к крышке 3. На крышке расположен разъем 4. На оси 5 крепится поплавок 6 со встроенным магнитом 7. В состав разъема входит проходная втулка 9 с крепежным винтом 8.
Датчик РОС 400-6 (рис. 2) состоит из алюминиевого корпуса 1, внутри которого размещен переключатель. Переключатель расположен на стойке, которая винтами крепится к корпусу. В крышке 3 предусмотрено сальниковое уплотнение 4 для закрепления кабеля. На оси 5 крепится поплавок 6 со встроенным магнитом.
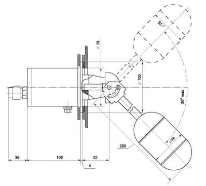
Датчик РОС 400-7 (рис. 3) имеет конструкцию аналогичную датчику РОС 400-4, 6 и отличается поплавковым устройством.
Датчик РОС 400-8 (рис. 4) имеет конструкцию аналогичную датчикам Р0С400-4, 6, 7 и отличается поплавковым устройством.
При изменении уровня жидкости происходит изменение положения поплавка, связанного с постоянным магнитом.
Благодаря магнитной связи двух магнитов, ориентированных одноименными полюсами относительно друг друга, перемещение управляет контактным устройством. Так, при достижении жидкостью верхнего предельного положения, нормально замкнутый контакт - размыкается, а нормально разомкнутый замыкается.
Технические характеристики:
- Рабочее избыточное давление контролируемой среды, МПа 0,8 (0,2 - РОС 400-4)
- Плотность контролируемой среды (нижнее значение), г/см3
- РОС 400-4, РОС 400-6, РОС 400-7 от 0,75
- РОС 400-8 от 0,95 - Динамическая вязкость контролируемой среды, Па.с 2,4
- Разрывная мощность контактов при коммутации переменного тока напряжением до 220В при частоте 50 Гц, ВА 300
- Дифференциал срабатывания, мм
- РОС 400-4, нерегулируемый до 40
- РОС 400-6, нерегулируемый до 25
- РОС 400-7, регулируемый в пределах от 60 до 250
- РОС 400-8, регулируемый в пределах от 100 до 10000 - Нестабильность срабатывания (для РОС 400-4 +5/-3), мм ±3
- Температура контролируемой среды, 0С от -1 до +150
- Габаритные размеры, мм (см. Рис. 1, 2, 3, 4)
- Масса (в зависимости от исполнения), кг не более 2,45

Габаритные и присоединительные размеры РОС 400-4

Габаритные и присоединительные размеры РОС 400-6

Габаритные и присоединительные размеры РОС 400-7

Габаритные и присоединительные размеры РОС 400-8
Стандартная комплектация:
- Датчик уровня.
- Руководство по эксплуатации (паспорт).
Пример записи при заказе:
Датчик уровня поплавковый электрический

- Тип датчика.
- Исполнение для ОАЭ.
Новости
21.06.2021
04.03.2021
08.05.2019


+7 (4812) 54-88-16
icq: 208-148-120