- Главная
- Уровнеметрия
- Уровнемеры, датчики и сигнализаторы уровня
- Поплавковые
- СУГ-М сигнализатор уровня поплавковый многоточечный
СУГ-М сигнализатор уровня поплавковый многоточечный
Предназначен для выдачи электрического дискретного сигнала о положении уровня жидкости или о положении уровня раздела двух несмешивающихся жидкостей в аппаратах и резервуарах технологических установок, в т. ч. объектах атомной энергетики (ОАЭ).
По устойчивости к механическим воздействиям сигнализатор соответствует группе N3 по ГОСТ Р52931.
По степени защиты от пыли и воды сигнализатор соответствует исполнению IP54 по ГОСТ 14254.
Предназначен для установок вне взрывоопасных зон помещений.
Сигнализатор уровня, при работе в комплекте с блоком барьеров искрозащиты «Сигнал» ТУ 4372-01742334258-99 с уровнем взрывозащиты «ExibIICT6» или другим барьером взрывозащиты для контактных датчиков, может быть использован в технических аппаратах, где возможно образование взрывоопасных смесей.
Сигнализаторы исполнения для ОАЭ относятся к элементам нормальной эксплуатации (УСНЭ), классу безопасности 4Н по ПНАЭ г-01-011-97. Сигнализаторы исполнения для ОАЭ по сейсмостойкости относятся к категории IIб по НП-031-01.
Сигнализаторы состоят из корпуса, направляющей трубы с магнитоуправляемыми контактами (герконами), поплавков с магнитами и скоб.
Количество герконов определяется количеством дискретно контролируемых уровней (не более пяти).
Контролируемые уровни определяются местом установки герконов.
Диапазон контролируемого уровня ограничивается установкой скоб.
Сигнализаторы СУГ-М1 (рис 3,4.) С жёстким чувствительным элементом и СУГ-М3 (рис. 5) с гибким чувствительным элементом предназначены для контроля уровня жидких сред; СУГ-М2 (рис 1,2.) С жёстким чувствительным элементом - для контроля уровня жидкости или уровня раздела жидких сред; СУГ-М1-Г (рис. 4) с жестким чувствительным элементом предназначены для горизонтальной установки.
Работа сигнализатора происходит следующим образом. Поплавок при изменении положения уровня жидкости перемещается по направляющей трубе. При достижении поплавком контролируемого уровня, разомкнутый геркон, попадая в магнитное поле постоянного магнита поплавка, замыкается и выдает релейный сигнал на вторичный прибор.
Детали сигнализаторов, соприкасающиеся с контролируемой средой, изготавливаются из материалов, которые по устойчивости к воздействию контролируемой Среды равнозначны или лучше 12Х18Н10Т Стали.
|
Условное обозначение сигнализатора |
тип поплавка |
Предельно допустимое рабочее избыточное давление, МПа (кгс / см 2 ) |
Параметры контролируемой жидкости |
Проходного диаметр |
|
|---|---|---|---|---|---|
|
Температура, ° С |
Плотность, г / см 3 |
||||
|
СУГ-М1 |
я |
1,0 (10) |
От 60 до минус 85 плюс, ° С |
0,85 |
40 * Ду |
|
II |
0,5 |
65 Ду |
|||
|
СУГ-М2 |
III |
1,6 (16) |
От 60 до минус 125 плюс, ° С |
0,5 |
150 Ду |
|
IV |
2,5 (25) |
0,6 |
100 Ду |
||
|
СУГ-М3 |
II |
1,0 (10) |
От 60 до минус 85 плюс, ° С |
0,5 |
65 Ду |
|
СУГ-М1-Г |
I |
2,5 (25) |
От 60 до минус 85 плюс, ° С |
0,85 |
40 * Ду (М36х1,5 штуцер) |

Рис.1
Сигнализатор СУГ-М2 с поплавком тип III, крепление на емкости посредством фланца

Рис.2
Сигнализатор СУГ-М2 с поплавком тип IV, крепление на емкости посредством фланца

Рис.3
Сигнализатор СУГ-М1 с поплавком тип I, крепление на емкости посредством штуцера

Рис.4
Сигнализатор СУГ-М1 с поплавком тип II, крепление на емкости посредством фланца

Рис.5
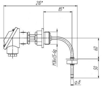
Габаритные и присоединительные размеры сигнализатора уровня жидкости СУГ-М3 для среды с плотностью более 0,5 г / см3; поплавок тип II

Рис.6
Габаритные и присоединительные размеры сигнализатора уровня жидкости СУГ-М1-Г (горизонтальная установка) для среды с плотностью более 0,75 г / см3; поплавок тип I

Схема электрическая подключения сигнализатора к системе «Сигнал»
Стандартная комплектация:
- Сигнализатор уровня (модель по заказу) - 1 шт .;
- Руководство по эксплуатации - 1 экз. (1 допускается экз при поставке до 10 сигнализаторов в 1 адрес.);
- Паспорт - 1 экз .;
- Система «Сигнал» (по заказу) - 1 шт .;
- Фланец монтажный (по заказу) - 1 шт.
Пример записи при заказе:

- Тип сигнализатора;
- Исполнение для ОАЭ.
- Взрывозащищённое исполнение;
- Количество точек контроля;
- Длина погружной части, м;
- Расстояние до точек контроля, м;
- Наличие монтажного фланца;
- Наличие системы «Сигнал».
Внимание!!!! Заполнение опросного листа ОБЯЗАТЕЛЬНО!!
Новости
21.06.2021
04.03.2021
08.05.2019


+7 (4812) 54-88-16
icq: 208-148-120