- Главная
- Уровнеметрия
- Уровнемеры, датчики и сигнализаторы уровня
- Емкостные
- СУС-100 сигнализатор уровня
СУС-100 сигнализатор уровня
Предназначен для контроля уровня электропроводных и неэлектропроводных жидких, твердых (сыпучих) сред, зерна и продуктов его размола. Обеспечивают сигнализацию «наличия» или «отсутствия» контролируемой среды на установленном уровне.
Сигнализатор представляет собой моноблочную конструкцию и состоит из конструктивно совмещенных чувствительного элемента (ЧЭ) и преобразователя.
Климатическое исполнение УХЛ.2 по ГОСТ 15150.
По устойчивости к маханическим нагрузкам сигнализатор соответствует группе N3 по ГОСТ Р52931.
Температура окружающего воздуха от минус 45 до плюс 60 0С.
Степень защиты корпуса IP54 по ГОСТ 14254
Технические характеристики:
- Порог срабатывания, мм, не более от 10 до 120 в зависимости от установки сигнализатора и свойств контролируемой среды.
- Дифференциал:
- при вертикальной установке ЧЭ, мм, не более 80
- при горизонтальной установке ЧЭ, не более диаметр ЧЭ - Напряжение питания постоянного или переменного (50 Гц) тока, В 24+20%
- Потребляемая мощность, В.А:
- СУС-100 Р 1
- СУС-100 Б 5 - Релейный выход (СУС-100Р) - нагрузка на контакты реле:
- переменный ток до 2,5 А, 250 В
мощность до 100 В. А
- постоянный ток 2,5 А, 30 В
мощность до 100 Вт - Бесконтактный выход (СУС-100Б)
- сопротивление нагрузки до 100 Ом
- ток нагрузки до 0,2 А.

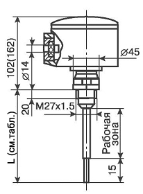
Общий вид, габаритные и установочные размеры СУС-111Р(Б)

Общий вид, габаритные и установочные размеры СУС-113Р(Б)

Общий вид, габаритные и установочные размеры СУС 161Р(Б).
Размеры фланца указаны в зависимости от давления контролируемой среды

Общий вид, габаритные и установочные размеры СУС-171Р(Б)

Общий вид, габаритные и установочные размеры СУС-181Р(Б)
Примечания:
- Размер в скобках - исполнение для температуры контролируемой среды свыше 1000С;
- Детали для крепления в комплект поставки не входят.

Общий вид, габаритные и установочные размеры СУС-191Р(Б), СУС-193Р(Б).

Схема электрическая подключения
Стандартная комплектация:
- Сигнализатор уровня - 1 шт. по заказу.
- Руководство по эксплуатации - 1 экз.
Пример записи при заказе:

- Обозначение сигнализатора по таблице;
- Тип выхода (Р-релейный, Б-бесконтактный);
- Длина чувствительного элемента, м, по таблице;
- Наличие проставки при температуре контролируемой среды выше плюс 60 оС;
- Давление контролируемой среды, мПа, только для модели 161.
Новости
21.06.2021
04.03.2021
08.05.2019


+7 (4812) 54-88-16

icq: 208-148-120